Bitzer Compressor HSK8571-140

Bitzer Compressor HSK8571-140

Bitzer Compressor HSN5343-20

Bitzer Compressor HSN5343-20

Bitzer Compressor HSKC7471-90 HSK7471-90

Sales info for the past 30 days - Sold: 74 1584 customers have inquired about the price

Basic Infomation

Brand name:Bitzer

Model number:HSKC7471-90

Product Condition:Factory New / New Surplus

Packaging:Wooden Box / Carton

Delivery time:7~14 days (About)

Warranty:1 Year

Parameter details:Download PDF

Payment methods:Payment Methods
Consulting support, including your preferred payment methods.

Availability: In stock
SKU
BRC-449

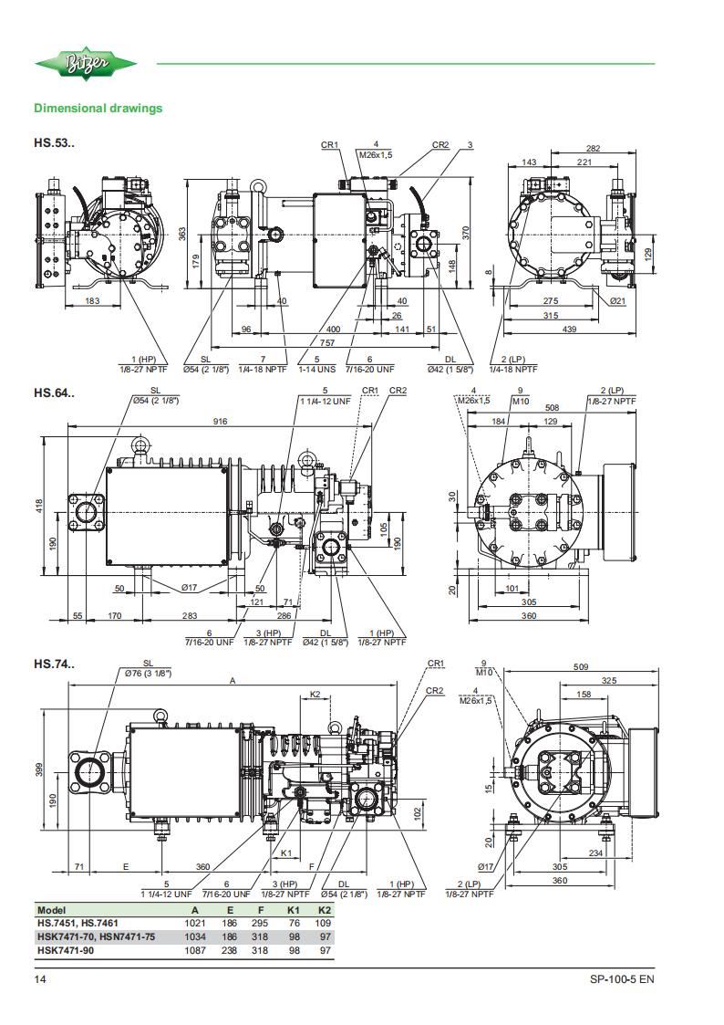
Bitzer Compressor HSKC7471-90 HSK7471-90, technical parameters pdf, structure diagram

The Bitzer Compressor is high quality!
Displacement (2900 RPM 50 Hz):250 m^3/h
Displacement (3500 RPM 60 Hz):302 m^3/h
Max. pressure (LP/HP):19 / 28 bar
Connection suction line:76 mm - 3 1/8 inch
Connection discharge line:54 mm - 21/8 inch
Adapter/shut-off valve for ECO:22 mm - 7/8 inch (Option)
Adapter for liquid injection:16 mm - 5/8 inch (Option)
Oil type R22:B150SH, B100 (Option)
Oil type R134a/R404A/R507A/R407A/R407F:BSE170 (Option)
Oil type R448A/R449A:BSE170 (Option) We can also provide the following models
GED80295VBYR632
GYD80235VLYB532
GED80421VWYR3
GMD80137VLR432
GUD80154VLR5-1
GUD80182VBB3
F402H/S4T-5.2Y-40P
GED80485VLR2-1
GTD80235VAR3
GUD60182VAYR4-1
GMD60485VLR5-1
GSD80154VBYR5
GSD60485VBYB532
GED60295VB
GTD60182VAR2
GUD60421VLB4
GTU60137VLB4-1
GED80154VBB6-1
GTD60385VAYR4
GSD60137VAYB2-1
GMD60182VAYR532
GYU60154VLB3-1
GUD60235VLYB2-1
GMU60120VLYR532
GMD80120VAYR3-2
GYD80137VAB632
GSD60235VBB2-2
GUD80120VAB2
4TES-8-40S
GSD60485VAYR5-2
GMD60235VLYR5
CSH9593-300-40P
GED80295VWYB4-1
GTU60235VLYR332
GTD80182VAR432
GTD60385VAYR5
GUD60154VAYB532
GED80235VLYB432
GTU60235VLR532
GMD60137VAYB6-2
GSD80421VLR2-1
GMU80385VLB5
GYD80485VBB332
GUD80295VWYB5
HSKB5363-25-40P
GED80137VBYR5-1
GUD80182VBB632
GUD80295VAYB5-1
GUD80137VBYR5
GYD80120VAYR332
GTD80235VAR6
GED80235VAB632
GED60385VWYR4
GYD80137VLYB6-1
GMD60154VAR232
GUU60137VLB432
GED60182VWYB6
GYD80485VAYR2
GED60182VAR6-2
GUU60235VLB532
GMD60235VAYB5-2
GYD80385VLYR4-1
GTU80385VLYR3-2
GTU80385VLYR432
GMD60295VLR332
GUD60485VBR4-1
GYD60421VAR432
GYD80182VLYR3
22CES-6
GED60154VLR2
GMD60235VLYB3-1
GYD80154VBYR5-2
For more information,please contact us freely

Write Your Own Review
Only registered users can write reviews. Please Sign in or create an account
Packaging, delivery
Certified stamp

Picking a Compressor? Here’s What to Know

Inventory Availability:
Please confirm the compressor is in stock and verify its core specifications before purchasing. We prioritize matching you with inventory from your local distributor, We provide actual photos for your confirmation before packaging and shipping.

Expedited Ordering:
Please select the expedited option at checkout. For lightweight items, you can request "overnight or 2-day shipping". Our customer service will then confirm the expedited schedule (including preparation and shipping), with most orders delivered globally within 2-5 days.

Certification and Testing:
Please ensure that you are purchasing a genuine product, which includes original manufacturer certification and professional test reports.

After-Sales and Support:
Unless caused by human error, we promise free replacement or full refund. We provide a total of 3 years of warranty coverage, comprising a 1-year original manufacturer's warranty and an additional 2-year(In-House Warranty) extended warranty for repairs and support.

Repair Kit:
We offer a repair kit that includes essential installation parts prone to wear and tear. For details, please contact our customer service.

Payment and Order Processing:
We support a variety of mainstream payment methods (e.g., Visa, PayPal, TT). Our checkout process is quick and secure, with orders processed within the same day.

Bulk Orders:
If you require a single, high-volume delivery, please inquire about our bulk order or wholesale pricing. We can then coordinate a delivery schedule and shipping time.

*Tips:
1. Before shipping, we will send you photos of the actual product for your confirmation ( eg. nameplate, appearance, and report).
2. The product comes with a 1-year manufacturer warranty policy and 3-year in-house warranty.
3. If the product is damaged during transportation or cannot be repaired due to non-human-caused within 1 year, no return, we will directly refund or resend the new product.
4. For select items, we will include a repair kit ( Special Needs Customer Service ).
5. Enjoy a worry-free experience throughout the entire process. Feel free to request quotes and place orders with confidence, we will provide 5-star service until you are satisfied.
6. Shipping and Taxes: See Quotation.

Adequate inventoryAuthenticity guaranteePositive review rate: 99.1%

FAQs

Q1: For our application (e.g., Cold Storage vs. Process Chilling), should we choose Screw, Reciprocating, or Centrifugal compressors?

A: The choice depends on capacity and application. We recommend: Screw for large, stable loads and high efficiency; Reciprocating for smaller capacity or specialized low-temperature use; and Centrifugal for very high-capacity HVAC/chiller applications. We offer a data-driven sizing analysis.

Q2: Are your system accessories (e.g., oil filters, valves, controls) proprietary, or can we easily source compatible, standardized replacement parts globally?

A: Our systems are designed with industry-standard interfaces and utilize high-quality, globally recognized components. We ensure that critical accessories and spare parts are readily available through our own supply chain and cross-reference to minimize emergency lead times.

Q3: How do you precisely calculate the required cooling load (BTU/hr or kW) and determine the correct compressor size for my specific process/cold room?

A: We perform a comprehensive heat load analysis that considers ambient temperature, product load, air infiltration, insulation U-values, and processing time. We use this data to select a compressor with the optimal capacity and EER/COP (Energy Efficiency Ratio/Coefficient of Performance) for your target temperature.

Q4: What is the warranty period for your main compressor unit and core accessories, and what is your guaranteed lead time for emergency spare parts?

A: We provide a comprehensive warranty package (typically $12$-$24$ months on the compressor). We maintain a global inventory of critical spares and commit to an emergency parts lead time (e.g., $24$-$72$ hours to major industrial hubs) to ensure minimal operational disruption.

Q5: What is the system's Total Cost of Ownership (TCO), and what technologies do you employ to maximize energy efficiency (SEER/IPLV)?

A: We provide a detailed TCO breakdown encompassing purchase, installation, maintenance, and projected energy costs. We prioritize Variable Speed Drive (VSD) compressors and advanced control systems to modulate capacity, minimizing energy consumption during part-load operation and maximizing long-term savings.

Q6: We conduct annual targeted procurement of compressors and repair kits to sustain production. I'd like to know if there are any contract discounts available?

A: Absolutely. Our primary strength lies in supply capability. Whether it's OEM manufacturing or global inventory searches—from components to complete units—we can match your needs with the nearest partner's inventory for rapid delivery. Our global alliance enables transactions at wholesale agency rates. Welcome aboard! Cheers!!