Key ParaM.:200(IN)V
Brand name:Panasonic
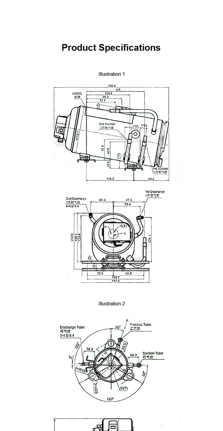
Model number:C-CV33M0A
Product Condition:Factory New / New Surplus
Packaging:Wooden Box / Carton
Delivery time:7~14 days (About)
Warranty:1 Year
Parameter details:Download PDF
Payment methods:![]()
* PayPal and credit card payments for sample orders, Large-value and bulk orders can be settled via T/T with official invoice. Any brand and model—inquire directly!










The Panasonic Compressor is high quality!
We can also provide the following models
2V47T126CZ
2V49T225FZ
C-SBS120L03K
2RS132H3LB01
2RD122D3BA21
6TS060ECA41
5PS126XFA41
5KS184EAB21
5VD250UBB21
5KS184ZDB01
5KS240EBB01
6TD046LBB21
2V49W225C6
C-SBP130H33C
C-SCX295H01P
C-SBN351H6X
C-SCVN603L0P
5RS080ZDA01
C-SC603H1U
2KD324L2DC41
5KD184XEA41
5KS162ECB01
C-SCN603H3T
2KS282L3DC01
5PS108ZEB21
6RS114ZCB41
2RS122L2AA03
5RS092XDB41
5VD330SH
2RV100W2AB01
5RS138TBB01
5PD146SD
C-SCX370L16B
5RD080SHB41
5KS180UFB01
5RD102UG
C-SBS165L15I
6TS062LHB01
C-SBR215H03S
2VV392L2AA04
5PD102HAB21
5SD064DF
2RD132W3DB21
2KS324H3DB21
5RD058TEA01
2KV324H5AB41
2VS294D3BA01
5VS225TE
6RS102EBB21
6TS075EG
C-SB453L1S
C-SBP170L01F
2KV282W3BC06
2KV324H2DB02
C-SBX120H38U
2KD324W3DA04
2JD488W3AB06
6TS075TGB21
C-SCR370H15V
C-SBN371L6B
2RD122X2CA01
6TS052LEA21
C-SBR200H00G
C-SB373L1F
6RL092TAB21
2JV488W2DB21
2VD280X5BB01
2KV324X5BA01
6VS355XAB41
2V40C236CU
5RD066SAB21
C-SBN453L0V
C-SC521H0Y
C-SDP170L03G
C-SBS180L16W
C-SBN233L3D
For more information,please contact us freely
Please confirm the compressor is in stock and verify its core specifications before purchasing. We prioritize matching you with inventory from your local distributor, We provide actual photos for your confirmation before packaging and shipping.
Please select the expedited option at checkout. For lightweight items, you can request "overnight or 2-day shipping". Our customer service will then confirm the expedited schedule (including preparation and shipping), with most orders delivered globally within 2-5 days.
Please ensure that you are purchasing a genuine product, which includes original manufacturer certification and professional test reports.
Unless caused by human error, we promise free replacement or full refund. We provide a total of 3 years of warranty coverage, comprising a 1-year original manufacturer's warranty and an additional 2-year(In-House Warranty) extended warranty for repairs and support.
We offer a repair kit that includes essential installation parts prone to wear and tear. For details, please contact our customer service.
We support a variety of mainstream payment methods (e.g., Visa, PayPal, TT). Our checkout process is quick and secure, with orders processed within the same day.
If you require a single, high-volume delivery, please inquire about our bulk order or wholesale pricing. We can then coordinate a delivery schedule and shipping time.
1. Before shipping, we will send you photos of the actual product for your confirmation ( eg. nameplate, appearance, and report).
2. The product comes with a 1-year manufacturer warranty policy and 3-year in-house warranty.
3. If the product is damaged during transportation or cannot be repaired due to non-human-caused within 1 year, no return, we will directly refund or resend the new product.
4. For select items, we will include a repair kit ( Special Needs Customer Service ).
5. Enjoy a worry-free experience throughout the entire process. Feel free to request quotes and place orders with confidence, we will provide 5-star service until you are satisfied.
6. Shipping and Taxes: See Quotation.
A: The choice depends on capacity and application. We recommend: Screw for large, stable loads and high efficiency; Reciprocating for smaller capacity or specialized low-temperature use; and Centrifugal for very high-capacity HVAC/chiller applications. We offer a data-driven sizing analysis.
A: Our systems are designed with industry-standard interfaces and utilize high-quality, globally recognized components. We ensure that critical accessories and spare parts are readily available through our own supply chain and cross-reference to minimize emergency lead times.
A: We perform a comprehensive heat load analysis that considers ambient temperature, product load, air infiltration, insulation U-values, and processing time. We use this data to select a compressor with the optimal capacity and EER/COP (Energy Efficiency Ratio/Coefficient of Performance) for your target temperature.
A: We provide a comprehensive warranty package (typically $12$-$24$ months on the compressor). We maintain a global inventory of critical spares and commit to an emergency parts lead time (e.g., $24$-$72$ hours to major industrial hubs) to ensure minimal operational disruption.
A: We provide a detailed TCO breakdown encompassing purchase, installation, maintenance, and projected energy costs. We prioritize Variable Speed Drive (VSD) compressors and advanced control systems to modulate capacity, minimizing energy consumption during part-load operation and maximizing long-term savings.
A: Absolutely. Our primary strength lies in supply capability. Whether it's OEM manufacturing or global inventory searches—from components to complete units—we can match your needs with the nearest partner's inventory for rapid delivery. Our global alliance enables transactions at wholesale agency rates. Welcome aboard! Cheers!!